Variable Mutual Conductance Compressor

Transformerless Tube Compressor



4D SOUNDSCAPE

Before populating the board use the board to mark the mounting holes to the chassis!



1

4D SOUNDSCAPE

2

4D SOUNDSCAPE

3

4D SOUNDSCAPE

Standoffs and socket

4D SOUNDSCAPE

Mount the tube sockets with standoffs before soldering.


M3 standoffs

4D SOUNDSCAPE



Schematic

4D SOUNDSCAPE

BOM

BOM pdf


C13 and C14 should be matched capacitors to ensure good CMRR at low frequencies. Same goes for C15 and C16


Plate resistors R31, R32, R33, R34 have parallel footprints on the PCB. This leaves room for experimenting with different plate resistor values.



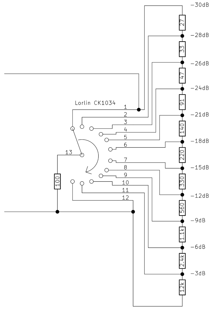
Potentiometers RV3 + R88 and RV4 + R89 can be replaced with stepped attenuators.



If ability to drive 600 ohm loads is needed, replace caps C29, C30, C31 and C32 with jumpers. If ability to drive +26 dBu level to 600 ohm load is needed, replace resistors R39, R40, R41 and R42 with 1 ohm resistors.


Contact

ghrdotfi@gmail.com